
產品概述
消防給水設備是滅火系統的重要組成部分,其性能和日常維護管理是否完善都會直接關系到我們的生命財產安全。近些年,消防給水設備的技術、性能、自動化程度都得到了較大的發展,但是對于各類消防設備都普遍存在著一個問題,在發生火災時,消防設備接到啟動信號后不能正常的運轉,耽誤了滅火的時機。造成以上現象的原因,主要是消防泵在平時長期不用,處于閑置狀態,加上泵房的環境潮濕,隨著時間的推移,特別是在夏天,很容易造成受潮、銹蝕、銹死、水泵運行不正常等現象,最后導致發生火災時消防泵不能運轉,無法啟動,給國家的財產和人民的生命安全造成很大損失。根據國家標準GB16806-2006《消防聯動控制系統》功能要求自主研發設計了WD-XFXJ消防泵自動巡檢控制設備
型號定義

產品原理
WX-XFXJ消防泵自動巡檢控制設備采用PLC可編程控制技術,對消防水泵進行巡回檢測的智能控制設備。在非消防狀態時,消防自動巡檢控制設備對消防泵做自動巡檢運行。自動的巡檢周期為幾小時至數百小時可調,周期時鐘自動啟動巡檢程序且具有手動巡檢功能,巡檢時巡檢設備會對消防控制柜的主回路進行檢測確認正常后,以低速逐臺驅動消防泵運行,此時的驅動功率很小,所以達到節能的效果。若在巡檢時接到消防運行信號,則本巡檢設備會立即中斷巡檢運行,控制設備會以工頻驅動消防泵進入消防運行狀態。只有到了下一個巡檢周期且無消防命令時,才開始一個新的巡檢運行過程。巡檢過程中,若水泵發生故障會發出故障報警信息。當輸入過電壓、欠壓、電源缺相、錯相、輸出過電流、短路時巡檢設備會發出報警信息。這樣自動巡檢的結果可保證水泵不會產生銹蝕、銹死現象,能夠在發生火災時正常投入運行狀態。
產品應用
產品適用于酒店、醫院、大型商場、超市、高層辦公樓、影劇院、博物館、會展中心、體育場館、機場、火車站、地鐵、工礦企業等公共場所或大型建筑物的消防泵、噴淋泵等消防設施的日常巡回檢查,對消防泵進行定期、定時間、定轉速的巡回檢測,通過自動巡檢,使消防泵長期保持在可靠的運行狀態。
產品特點
□巡檢周期每次巡檢時間可以自行設置,且系統可自動判別消防泵能否正常啟動。
□對消防水泵的巡回檢查采用低頻率、低轉速運行,巡檢功率消耗小,不會對供水管網增壓,不會加大水泵的機械磨損。
□接到消防命令0.5 秒立即自動退出運行,切換到工頻回路,保證消防水泵火災時正常運行。
□在自動巡檢期間,可對電控設備主回路的電器元件進行檢測,保證電氣控制設備的可靠運行。
□水泵檢測運行中的狀態及操作過程由LED、LCD顯示,觸摸屏可設定和操作其工作狀態。
□具有故障存儲功能,帶有RS232、RS485通訊接口,可與終端計算機聯網,實現遠程監控。
□具有擴展功能,可選配電路巡檢、管路巡檢、GPRS通訊、打印機及控制、總線通訊等模塊。
□具有錯相、缺相、欠壓、過壓、過流、短路等保護功能。
□消防泵啟動時,系統在軟件上采用了互鎖控制,保證任何時候只有一個泵運行;當發生故障時,系統會自動進行保護。
技術參數

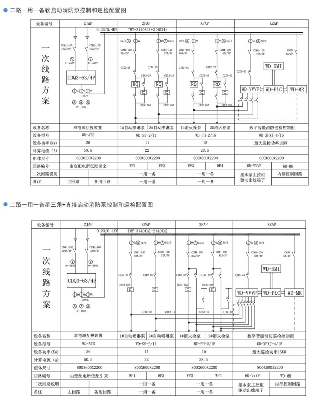
典型配置圖



